锥螺纹连接式薄壁不锈钢管材及管件

省标-锥螺纹连接式薄壁不锈钢管材及管件-1.jpg省标-锥螺纹连接式薄壁不锈钢管材及管件-2.jpg省标-锥螺纹连接式薄壁不锈钢管材及管件-3.jpg省标-锥螺纹连接式薄壁不锈钢管材及管件-4.jpg省标-锥螺纹连接式薄壁不锈钢管材及管件-5.jpg省标-锥螺纹连接式薄壁不锈钢管材及管件-6.jpg省标-锥螺纹连接式薄壁不锈钢管材及管件-7.jpg省标-锥螺纹连接式薄壁不锈钢管材及管件-8.jpg省标-锥螺纹连接式薄壁不锈钢管材及管件-9.jpg

省标-锥螺纹连接式薄壁不锈钢管材及管件-10.jpg

省标-锥螺纹连接式薄壁不锈钢管材及管件-11.jpg

省标-锥螺纹连接式薄壁不锈钢管材及管件-12.jpg

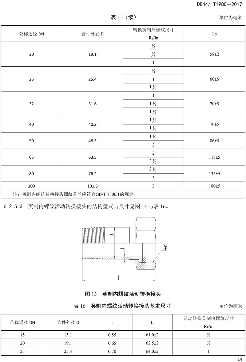
省标-锥螺纹连接式薄壁不锈钢管材及管件-13.jpg省标-锥螺纹连接式薄壁不锈钢管材及管件-14.jpg省标-锥螺纹连接式薄壁不锈钢管材及管件-15.jpg省标-锥螺纹连接式薄壁不锈钢管材及管件-16.jpg省标-锥螺纹连接式薄壁不锈钢管材及管件-17.jpg省标-锥螺纹连接式薄壁不锈钢管材及管件-18.jpg省标-锥螺纹连接式薄壁不锈钢管材及管件-19.jpg省标-锥螺纹连接式薄壁不锈钢管材及管件-20.jpg省标-锥螺纹连接式薄壁不锈钢管材及管件-21.jpg省标-锥螺纹连接式薄壁不锈钢管材及管件-22.jpg省标-锥螺纹连接式薄壁不锈钢管材及管件-23.jpg省标-锥螺纹连接式薄壁不锈钢管材及管件-24.jpg省标-锥螺纹连接式薄壁不锈钢管材及管件-25.jpg省标-锥螺纹连接式薄壁不锈钢管材及管件-26.jpg省标-锥螺纹连接式薄壁不锈钢管材及管件-27.jpg省标-锥螺纹连接式薄壁不锈钢管材及管件-28.jpg省标-锥螺纹连接式薄壁不锈钢管材及管件-29.jpg省标-锥螺纹连接式薄壁不锈钢管材及管件-30-1.jpg省标-锥螺纹连接式薄壁不锈钢管材及管件-31.jpg省标-锥螺纹连接式薄壁不锈钢管材及管件-32.jpg

省标-锥螺纹连接式薄壁不锈钢管材及管件-33.jpg省标-锥螺纹连接式薄壁不锈钢管材及管件-32-1.jpg

省标-锥螺纹连接式薄壁不锈钢管材及管件-35.jpg省标-锥螺纹连接式薄壁不锈钢管材及管件-36.jpg





分享内容